1×8 Mechanical Optical Switch
The Series 1×8 fiber optic switch connects optical channels by redirecting an in- coming optical signal into a selected output fiber. This is achieved by using a patent pending op to-mechanical configuration activated via an electrical control signal. Latching operation preserves the selected optical path after the drive signal has been removed. The switch has integrated electrical position sensors, and the new material based advanced design significantly reduces moving part position sensitivity, offering unprecedented high stability as well as an unmatched low cost. Electronic driver is available for this series of switches.
Description
Features & Applications
| Features | Applications |
| Low Insertion Loss | R&D in Laboratory |
| Wide Wavelength Range | System Monitoring |
| Low Crosstalk | OADM |
| High Stability, High Reliability | MAN (Metropolitan Area Network) |
| Epoxy-free on Optical Path | Network Security and Monitoring |
| Latching and Non-latching |
Performance Specifications
| Parameters | Unit | 1×8 | |
| Wavelength Range | nm | 850±40/1300±40 | 1260~1650 |
| Test Wavelength | nm | 850/1300 | 1310/1550 |
| Insertion Loss¹,² | dB | ≤1.0 | |
| Return Loss¹,² | dB | MM≥30 | SM≥55 |
| Crosstalk¹ | dB | MM≥35 | SM≥55 |
| PDL | dB | — | SM≤0.03 |
| WDL | dB | ≤0.25 | |
| Repeatability | dB | ≤±0.02 | |
| Operating Voltage | V | 3.0 or 5.0 | |
| Durability | Cycles | ≥10 Million | |
| Switching Time | ms | ≤8 | |
| Optical Power | mW | ≤500 | |
| Operating Temperature | ℃ | -20~+70 | |
| Storage Temperature | ℃ | -40~+85 | |
| Relative Humidity | % | 5~95 | |
| Dimension | mm | (L)35.0×(W)35.0×(H)8.50±0.2 | |
| Note: 1. Within operating temperature and SOP. 2. Excluding connectors. | |||
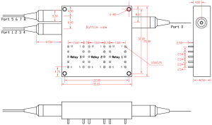
Pin Configurations
Latching Type:
| Type | Optical Path | Relay | Electric Drive | Status Sensor | ||||
| 1×8 | Pin 1 | Pin 5 | Pin 6 | Pin 10 | Pin 2-3 Pin 8-9 |
Pin 3-4 Pin 7-8 |
||
| Latching | Com-P1 | 1,2,3 | V+ | GND | – | – | Open | Close |
| Com-P2 | 2 | – | – | GND | V+ | Close | Open | |
| 1,3 | V+ | GND | – | – | Open | Close | ||
| Com-P3 | 3 | – | – | GND | V+ | Close | Open | |
| 1,2 | V+ | GND | – | – | Open | Close | ||
| Com-P4 | 2,3 | GND | – | GND | V+ | Close | Open | |
| 1 | V+ | GND | – | – | Open | Close | ||
| Com-P5 | 1 | – | – | GND | V+ | Close | Open | |
| 2,3 | V+ | GND | – | – | Open | Close | ||
| Com-P6 | 1,2 | – | – | GND | V+ | Close | Open | |
| 3 | V+ | GND | – | – | Open | Close | ||
| Com-P7 | 1,3 | – | – | GND | V+ | Close | Open | |
| 2 | V+ | GND | – | – | Open | Close | ||
| Com-P8 | 1,2,3 | – | – | GND | V+ | Close | Open | |
No-Latching Type:
| Type | Optical Path | Relay | Electric Drive | Status Sensor | ||||
| 1×8 | Pin 1 | Pin 5 | Pin 6 | Pin 10 | Pin 2-3 Pin 8-9 |
Pin 3-4 Pin 7-8 |
||
| No-Latching | Com-P1 | 1,2,3 | V+ | – | – | GND | Open | Close |
| Com-P2 | 2 | – | – | – | – | Close | Open | |
| 1,3 | V+ | – | – | GND | Open | Close | ||
| Com-P3 | 3 | – | – | – | – | Close | Open | |
| 1,2 | V+ | – | – | GND | Open | Close | ||
| Com-P4 | 2,3 | – | – | – | v | Close | Open | |
| 1 | V+ | – | – | GND | Open | Close | ||
| Com-P5 | 1 | – | – | – | – | Close | Open | |
| 2,3 | V+ | – | – | GND | Open | Close | ||
| Com-P6 | 1,2 | – | – | – | – | Close | Open | |
| 3 | V+ | – | – | GND | Open | Close | ||
| Com-P7 | 1,3 | – | – | – | – | Close | Open | |
| 2 | V+ | – | – | GND | Open | Close | ||
| Com-P8 | 1,2,3 | – | – | – | – | Close | Open | |
Optical Route:

Dimensions Diagram (Unit:mm)

Ordering Information
Model: GXT-OSW-1×8-A-B-C-D-E-F-G
| A | B | C | D | E | F | G | |||||||
| Code | Fiber Type | Code | Test Wavelength | Code | Operating Voltage | Code | Control Type | Code | Tube Type | Code | Fiber Length | Code | Connector |
| SM | SM9/125 | 85 | 850 | 3 | 3V | L | Latching | 25 | 250um Bare Fiber | 5 | 0.5m | FA | FC/APC |
| M5 | MM50/125 | 98 | 980 | 5 | 5V | N | Non-latching | 90 | 900um Loose | 10 | 1.0m | PP | FC/UPC |
| M6 | MM62.5/125 | 1060 | 1060 | X | Other | X | Other | 15 | 1.5m | LA | LC/APC | ||
| P13 | PM1310 | 13 | 1310 | X | Other | LP | LC/UPC | ||||||
| P15 | PM1550 | 85/13 | 850/1310 | SA | SC/APC | ||||||||
| X | Other | 15 | 1550 | SP | SC/UPC | ||||||||
| 13/15 | 1310/1550 | X | Other | ||||||||||
| X | Other | ||||||||||||





