PM 2×2 Optical Switch
This Polarization-Maintaining (PM) 2×2 Optical Switch provides low insertion loss, high channel isolation, and reliable bidirectional optical path switching with excellent polarization stability. Designed for operation in the 1310 nm and 1550 nm wavelength windows, it features an epoxy-free optical path and supports both latching and non-latching operation modes for flexible system integration.
Ideal for optical network protection, signal routing, configurable add/drop modules, and test systems, the switch ensures high repeatability and long-term reliability across extended operating temperatures. Its compact mechanical design and customizable options including fiber type, connector style, and operating voltage enable seamless adaptation to diverse optical system requirements.
Description
Product Features & Applications
| Features | Applications |
| Low Insertion Loss | Optical Network |
| Unmatched Low Cost | Protection/Restoration |
| High Channel Isolation | Optical Singnal Routing |
| High stability and reliability | Configurable Optical Add/Drop |
| Epoxy free on optical path | Transmitter and receiver protection |
| Latching and Non-latching | Network Test System |
Performance Specifications
| Parameter | PM-2×2B-MM/SM | |
| Wavelength Range(nm) | 1310±30 | 1550±30 |
| Operating Wavelength | 1310 | 1550 |
| Insertion Loss(dB) | Typ:0.8 Max:1.0 | Typ:0.8 Max:1.0 |
| Return Loss(dB) | ≥50 | |
| Crosstalk(dB) | ≥55 | |
| Extinction Ratio (dB) | ≥18 | |
| Polarization Dependent Loss(dB) | ≤0.05 | |
| WaveLength Dependent Loss(dB) | ≤0.25 | |
| Temperature Dependent Loss(dB) | ≤0.25 | |
| Repeatability(dB) | ≤±0.02 | |
| Power Supply(V) | 3.0 or 5.0 | |
| Lifetime(time) | ≥10^7 | |
| Switch Time(ms) | ≤8 | |
| Transmission Power(mW) | ≤500 | |
| Operating Temperature(℃) | -20~+75 | |
| Storage Temperature(℃) | -40~+85 | |
| Weight(g) | 16 | |
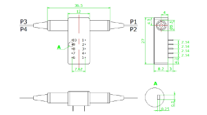
| Dimension(mm) | (L)27.0×(W)12.6×(H)8.0 | |
Pins
| Type | Pin | Electric Drive | Status Sensor | ||||||
| 2×2B | Optical Path | Pin1 | Pin5 | Pin2×2B | Optical Path | Pin1 | Pin5 | Pin2×2B | Optical Path |
| Latching | P1-P4,P2-P3 | V+ | GND | Latching | P1-P4,P2-P3 | V+ | Close | Latching | P1-P4,P2-P3 |
| P1-P3 | — | — | P1-P3 | — | — | P1-P3 | |||
| Non-latching | P1-P4,P2-P3 | V+ | — | — | GND | Open | Close | Close | Open |
| P1-P3 | — | — | — | — | Close | Open | Open | Close | |
Electric
| Specifications | Voltage | Current | Resistance |
| 5V latching | 4.5~5.5 | 36~44mA | 125Ω |
| 5V non-latching | 4.5~5.5 | 26~32mA | 175Ω |
| 3V latching | 2.7~3.3 | 54~66mA | 50Ω |
| 3V non-latching | 2.7~3.3 | 39~47mA | 70Ω |
Ordering Information
| Wavelength | Switch Type | Voltage | Fiber Type | Connector | Fiber length | Package |
| 1060=1 | Latching=1 | 3V=3 | 1310=PM1310 | FC/PC | 0=0.5m | Bare fiber=1 |
| C+L=2 | Non-latching=2 | 5V=5 | 1550=pm1550 | FC/APC | 1=1m | 900um tube=3 |
| 1310=3 | MINI Latching=3 | Special=0 | SC/PC | 2=2m | Special=0 | |
| 1410=4 | MINI Non-latching=4 | SC/APC | ect. | |||
| 1550=5 | Special=0 | ect. | ||||
| 650=6 | ||||||
| 780=7 | ||||||
| 1260-1610=A | ||||||
| 1310/1550=9 | ||||||
| 850=8 | ||||||
| Special=0 |
Mechanical Dimensions (Unit:mm)

Optical Route
![]()




